-
旺利达彩涂为治理挥发性有机物,于 2017 年 9 月淘汰原有的冷凝吸附废气处理设备,投资 400 余万元新上 RTO 设备。八条辊涂生产线全封闭式运行,调漆、...
-
化工储罐废气治理一直是行业难题。常州宏川石化仓储有限公司投资 2500 万元开展相关项目,采用 RTO 工艺。该设备通过密闭管道收集废气,先进行预处理以实现全密...
-
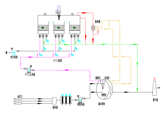
在工业生产过程中,废气排放成为了环境保护面临的重要挑战之一。挥发性有机化合物(VOCs)等废气的大量排放,不仅对空气质量造成严重影响,还威胁着人们的身体健康。...
-
已经装了 RTO 的老板们注意啦,这些运行小技巧能帮你降低成本,快记下来~定期清洁蓄热体很重要!每 3-6 个月检查一次,用高压空气吹扫表面积灰,保持透气性,热...
-
首先看处理风量!根据自己工厂的废气排放量选,选小了不够用,选大了浪费钱,最好让厂家上门实测核算✅然后看蓄热体材质!陶瓷蓄热体耐高温、寿命长,是目前的主流选择,认...
-
更换沸石转轮不是简单的 “拆旧换新”,科学的更换流程能让新转轮发挥最佳性能。第一步要全面评估旧转轮失效原因,是预处理不足导致堵塞,还是再生温度过高造成老化,或是...
-
很多企业觉得 “能凑合用就先不换”,但拖延更换的代价往往超出预期。首先是环保风险剧增,随着各地环保检查频次加密,在线监测数据实时上传,一旦因沸石转轮失效导致超标...
-
答:RTO 设备日常维护至关重要。每日要检查风机运行是否正常,有无异常噪音或振动;查看控制系统是否稳定,温度、压力等参数是否在正常范围。每周要清理蓄热室,防止积...
-
答:在处理复合机废气时,若废气成分复杂、黏性大,催化燃烧设备的催化剂一般 1 - 2 年就需更换;如果废气工况较好,可 2 - 3 年一换。更换前,要先停止进料...
-
答:一般建议每季度或半年进行一次较为全面的检查。检查内容包括清理沸石转轮表面,查看是否有堵塞、损坏情况,保证其吸附性能良好;检查加热系统和控制系统工作状态,确保...



